Prodotto aggiunto con successo al preventivo!
- INDUSTRIA 4.0
- AFFETTATRICI PROFESSIONALI
- ASPIRAZIONE
- ARREDAMENTO BAR
	- Banchi bar
- Banchi bar pannellati Linea Start Up
- Banchi birra
- Banchi cocktail
- Banchi gelateria
- Banchi milleusi
- Banchi tabacchi / totocalcio
- Celle da incasso
- Lavelli da incasso
- Retrobanchi neutri
- Retrobanchi per Macchina Caffè
- Retrobanchi refrigerati
- Sportelli e cassetti inox
- Vetrine pane
- Vetrine pizza
- Vetrine snack
 
- ARREDAMENTO INOX 304
- ARREDAMENTO INOX 430
- ARREDAMENTO KIT COMPLETO
- ATTREZZATURE BAR
	- Centrifuga
- Congela bicchieri
- Crepier
- Cuoci uova
- Cuocipasta Snack
- Distributori per succhi
- Dosatori per salse
- Erogatore di bevande calde
- Erogatore di vino al calice
- Espositori | Vetrine snack
- Estrattori di succhi
- Frullatori
- Fry Top snack
- Hot-dog
- Macchine caffè
- Macchine per cialde
- Macchine per pancake
- Macinadosatore
- Pacojet
- Piani caldi/lampade riscaldanti/Scaldafritti
- Piastre panini elettriche
- Piastre panini gas
- Spezzaghiaccio/Tritaghiaccio
- Spremiagrumi
- Tostiere
 
- ATTREZZATURE CUCINA
	- Apriscatole
- Coltello elettrico
- Cuociriso
- Cutter
- Cutter sistema cottura
- Dosatori per salse
- Essiccatore-Affumicatore
- Friggitrici ad aria professionale
- Friggitrici snack
- Frullatori termici
- Grattugie
- Griglia pietra lavica
- Lavacozze
- Lavatartufi
- Lavaverdure
- Macinacaffè/Macinapepe
- Mixer
- Pacojet / Emulsionatori
- Passatrici
- Pelacipolle
- Pelapatate
- Piani cottura snack
- Postazione di lavoro completa
- Salamandra
- Scaldapiatti
- Spillatore birra
- Tagliaverdure / Tagliamozzarella
- Tigelliera
- Vasche e vetrine bagnomaria
- Zuppiere
 
- ATTREZZATURE FAST FOOD
	- Armadio di stoccaggio e mantenimento
- Bagnomaria per salse
- Bagnomaria per salsicce
- Banco caldo per patatine
- Carrello multi snack
- Cassettiera calda
- Cuocipasta fast food
- Dosatore per salse
- Frytop con tostapane
- Imbuto riscaldante a stantuffo
- Macchina cuoci Hot dog
- Postazione di lavoro per crepes
- Raclette per formaggi
- Scalda salse
- Spalmaburro
- Stazione di taglio riscaldata
- Supporto per contenitori
- Tostiere
- Vetrina per Hamburger
 
- ATTREZZATURE GELATERIA
	- Abbattitore di temperatura
- Armadi frigoriferi per gelateria
- Banchi Gelateria semilavorati
- Banco gelateria
- Contenitori - Accessori vari gelateria
- Cuocicrema
- Macchine Soft per Gelato
- Mantecatori / Gelatiere
- Montapanna
- Pacojet / Emulsionatori
- Pastorizzatori
- Piastre per panino gelato
- Pressagelato
- Tini di maturazione
- Vetrine pasticcerie e gelaterie
 
- ATTREZZATURE MACELLERIA
	- Affilacoltelli
- Armadio di stagionatura
- Banchi macelleria
- Carrelli macelleria
- Ceppi
- Frigoriferi per carne
- Gancere salumi
- Guanti inox
- Hamburgatrici
- Impastatrice carne
- Insaccatrici
- Inteneritrice
- Piantana espositiva per salumi
- Segaossi
- Sterilizzatori
- Taglieri macelleria
- Tritacarne
- Tritacarne refrigerato
- Tritacarne-Grattugia
- Vetrine Carne
- Vetrine frollatura carne
 
- ATTREZZATURE PANETTERIA
	- Armadi e tavoli fermalievitazione
- Banchi alimentare per pane
- Celle fermalievitazione
- Espositori e Retrobanchi panetteria
- Espositori self-service per panetteria
- Fermentatori per lievito madre
- Formatrici per pane
- Forni pane
- Forni panetteria / pasticceria
- Grissinatrici
- Impastatrici per pane
- Macinapane
- Porzionatrici - arrotondatrici pasta
- Refrigeratori di acqua
- Scaldataralli
- Setaccio per farina
- Tagliafrese
- Taglierine per pane
- Vetrine pane
 
- ATTREZZATURE PASTICCERIA
	- Abbattitori di temperatura
- Armadi Pasticceria
- Banchi Pasticceria
- Battiuova
- Colatrici e Temperatrici di cioccolato
- Dosatrice riempitrice
- Fermentatori per lievito madre
- Fontane per cioccolato
- Forni pasticceria
- Friggitrici pasticceria
- Impastatrici planetarie
- Kurtoskalacs
- Lampade per zucchero
- Lievitatori
- Macchina per tartelle
- Macchine glassatrici
- Macchine per biscotti
- Macchine per cialde
- Macina zucchero
- Piastra refrigerata
- Pralinatrici
- Scioglitore di cioccolato
- Sfogliatrici
- Spruzza cioccolato
- Taglierine
- Tavoli per cioccolato
- Tavoli refrigerati pasticceria
- Vetrine Pasticcerie e Gelaterie
 
- ATTREZZATURE PIZZERIA
- BANCHI ALIMENTARI E MURALI
- BANCHI CASSA
- BILANCE
- CARRELLI E ACCESSORI
- CONTENITORI ISOTERMICI
- CONTENITORI - TEGLIE - ACCESSORI VARI
- COTTURA BASSA TEMPERATURA
- COTTURA PROFESSIONALE
- CUCINE ETNICHE
- CUOCIPIADA
- DISPOSITIVI DI PROTEZIONE E IGIENE
- ELEMENTI DA INCASSO / DROP IN
- ESPOSITORI BUFFET
- ESPOSITORI FRUTTA
- ESPOSITORI VINO
- FABBRICATORI DI GHIACCIO
	- Fabbricatore di ghiaccio "Domestico"
- Fabbricatore di ghiaccio a scaglie granulare
- Fabbricatore di ghiaccio cubetti cavi
- Fabbricatore di ghiaccio cubetti Nugget
- Fabbricatore di ghiaccio cubetti piatti
- Fabbricatore di ghiaccio cubetti pieni
- Fabbricatore ghiaccio a granuli pressati
- Fabbricatore ghiaccio a scaglie piatte
- Fabbricatori di ghiaccio cubetto "Dado"
 
- FORNI E LIEVITATORI
- FRIGORIFERI FARMACIA
- GIRARROSTO - BARBEQUE - KEBAB
- GRANITORI E REFRIGERATORI
- IMPASTATRICI E PLANETARIE
- LAVANDERIA
- LAVAGGIO
- LAVORAZIONE PASTA FRESCA
- REFRIGERAZIONE PROFESSIONALE
	- Abbattitori di temperatura
- Armadi e tavoli fermalievitazione
- Armadi refrigerati smontabili
- Armadio frigo porta a vetro
- Armadio frigo porta cieca
- Box refrigerati birra
- Celle frigorifere
- Congelatori e frigoriferi a pozzetto - isole refrigerate
- Frigoriferi circolari
- Frigoriferi combinati
- Impianti Soprabanco/Sottobanco
- Minibar
- Pensili e Retrobanchi refrigerati/caldi
- Refrigeratori bottiglie
- Retrobanchi
- Tavoli refrigerati
- Vetrine refrigerate snack
 
- LINEA LUNA PARK
- MOBILI DI SERVIZIO
- RISTORANTE E BUFFET
- SMALTIMENTO RIFIUTI
- SERIE MANUALI E VARIE
- STERILIZZATORI
- SOTTOVUOTO E CONFEZIONATRICI
- Complementi di arredo "Outdoor"
- FORNITURE ALBERGHIERE
- LINEA PESCE
Prodotto aggiunto con successo al preventivo!
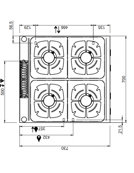
Cucina gas - Banco - N. 4 fuochi - Cm 70 x 73 x 25 h
Cucina gas - Mod. LXFB77TXS - N. 4 fuochi - Potenza bruciatori kW 5.5 - Da banco - Struttura in acciaio inox - Potenza torale kW 22 - Alimentazione gas - Cm 70 x 73 x 25 h
Opzioni
+ ACCESSORI
|     Base armadiata  - Aperta senza porte - Con spazio tecnico posteriore - Acciaio inox AISI 304 spessore 1.5 mm - Dimensioni cm 70 x 59.5 x 60 h | Base armadiata - Aperta senza porte - Con spazio tecnico posteriore - Acciaio inox AISI 304 spessore 1.5 mm - Dimensioni cm 70 | |
|     Kit porte armadio 70 cm (2 porte) | Kit porte armadio 70 cm (2 porte) | |
|     Kit cassettiera n°2 cassetti GN 2/1 | Kit cassettiera n°2 cassetti GN 2/1 | 
Puoi acquistare questo prodotto con Sella Personal Credit. Clicca qui per maggiori informazioni.
SELLA PERSONAL CREDIT
 Spedizioni
                                                                                Spedizioni
                                    SPEDIZIONI E CONSEGNE
I corrieri consegnano al livello stradale ed è escluso il servizio di facchinaggio. In fase di ordine il cliente è tenuto a comunicare se la consegna deve essere effettuata in zona disagiata. Le zone disagiate sono tutti quei luoghi che per distanza o conformazione del territorio sono difficili da raggiungere, ( es. isole, ZTL, centri storici, vicoli, ecc..) Per consegnare in queste destinazioni, i corrieri richiedono tempi di consegna più lunghi e il pagamento di una commissione extra.
La merce sarà spedita all'indirizzo fornito durante la fase d'ordine. Se deve essere consegnata a un altro indirizzo, è responsabilità del cliente comunicarlo al momento dell'ordine. Se, dopo aver gestito la spedizione, il cliente decide di modificare l'indirizzo di destinazione, la merce va in giacenza, con conseguente addebito dei costi per l'apertura della pratica e per la spedizione
 Ricezione merce
                                                                                Ricezione merce
                                     Informazioni su componenti elettrici
                                                                                Informazioni su componenti elettrici
                                    I macchinari professionali spesso vengono forniti senza la presa per diversi motivi tecnici e normativi:
Standardizzazione e compatibilità: I macchinari professionali sono utilizzati in diverse parti del mondo, dove gli standard delle prese e delle tensioni elettriche variano. Fornire il cavo senza presa permette agli utenti di adattare il macchinario agli standard del proprio paese o ambiente lavorativo.
Personalizzazione dell’installazione: I macchinari professionali sono spesso installati da tecnici qualificati che scelgono il tipo di presa o connessione più adatta alle esigenze del cliente, come collegamenti diretti all'impianto elettrico o prese industriali specifiche.
Normative di sicurezza: In alcuni contesti professionali, le normative richiedono che i macchinari siano collegati direttamente all'impianto elettrico attraverso un interruttore differenziale o una connessione fissa, anziché tramite una presa standard. Questo riduce il rischio di sovraccarichi o guasti elettrici.
Versatilità d’uso: Fornire il cavo senza presa consente una maggiore flessibilità nella configurazione, evitando che il produttore debba gestire varianti di prodotto con prese specifiche per ogni mercato.
Riduzione dei costi e degli sprechi: Non includere la presa riduce i costi di produzione e consente di evitare sprechi nel caso in cui l’utente finale abbia bisogno di un tipo diverso di connessione.
Questa pratica è comune per apparecchiature che richiedono un'installazione tecnica o che operano in ambienti professionali con requisiti specifici.
 Tipologie di Pagamento
                                                                                Tipologie di Pagamento
                                    METODI DI PAGAMENTO: Puoi pagare i prodotti ordinati sul nostro portale utilizzando i seguenti metodi di pagamento
____________________________________
 1) PAYPAL PAGA IN 3 RATE
1) PAYPAL PAGA IN 3 RATE
PayPal Paga in 3 rate è disponibile per acquisti idonei di valore compreso tra € 30,00 e € 2.000,00. Si può pagare con facilità in 3 rate, la prima immediata e le successive dilazionate in due mesi
 1) PAYPAL
1) PAYPAL
DLService Div. E-Commerce Srl mette a disposizione tutta la sicurezza e la rapidità del pagamento tramite Paypal, un mezzo sicuro per l'invio di denaro, perché è possibile pagare senza condividere i dati della carta di credito.
 1) CARTA DI CREDITO O DEBITO PAGA IN 2, 3, 4 RATE
1) CARTA DI CREDITO O DEBITO PAGA IN 2, 3, 4 RATE
Alma è disponibile per acquisti idonei di valore compreso tra € 50,00 e € 2.000,00. Si può pagare in 2,3,4 comode rate. Il pagamento consentito anche in alcuni paesi europei.
 2) CARTA DI CREDITO
 2) CARTA DI CREDITO
Scegliendo il pagamento con carta di credito verrai automaticamente indirizzato al sito della banca che si occuperà della transazione. Le carte di credito accettate sono tutte quelle che si appoggiano ai circuiti Visa, MasterCard, American Express, CartaSi, Maestro. La sicurezza delle transazioni è garantita da un sistema di crittografia dei dati che utilizza certificati SSL (Secure Socket Laer).
 3) PAGAMENTO ANTICIPATO 30% SALDO ALLA CONSEGNA
 3) PAGAMENTO ANTICIPATO 30% SALDO ALLA CONSEGNA
Scegliendo questo metodo di pagamento dovrai pagare il 30% del totale dell'ordine e il restante 70% in contrassegno direttamente al nostro corriere. Il pagamento deve essere effettuato in contanti. L'importo max che il corriere è tenuto ad accettare è di €. 4.999.99
 4) PAGAMENTO ANTICIPATO DEL 30% CON SALDO del 70% A MERCE PRONTA
 4) PAGAMENTO ANTICIPATO DEL 30% CON SALDO del 70% A MERCE PRONTA
Scegliendo questa modalità di pagamento dovrai versare il 30% sul totale dell'ordine e il restante 70% quando la merce è pronta per la spedizione. In questo caso il cliente sarà avvisato due giorni prima della spedizione per poter emettere il bonifico a saldo.
 5) BONIFICO BANCARIO ANTICIPATO
 5) BONIFICO BANCARIO ANTICIPATO
Se si preferisce il pagamento con Bonifico Bancario è necessario inviare la copia contabile tramite email : info@ristorazione-refrigerazione.it oppure tramite WhatApp al n. 389 7940545. La causale del bonifico dovrà riportare il numero dell'ordine
 6) PAGAMENTI A RATE
 6) PAGAMENTI A RATE
Per le persone fisiche e le ditte individuali possiamo offrire pagamenti agevolati tramite "Credito Sella" fino a €. 10.000,00 (clicca qui per maggiori informazioni)
 Video
                                                                                Video
                                     Tempi di Produzione
                                                                                Tempi di Produzione
                                    l tempi di produzione possono variare dai 3 ai 15 giorni. Su migliaia di prodotti è presente lo stiker "Pronta Consegna". Per tutti gli altri prodotti si può richiedere la disponibilità contattando il nostro Custumer Care ai numeri 0824 1816643 - 0824 49346, inviando un messaggio WhatsApp al n. 389 7940545 oppure inviando una e-mail a info@ristorazione-refrigerazione.it
| Cucina gas | LXFB77TXS | 
| Linea con profondità | Cm 70 | 
| Dimensioni prodotto | Cm 70 x 73 x 25 h | 
| Peso lordo | Kg 54 | 
| Garanzia | 12 mesi | 
| Norma | CE | 
| Origini | Italia | 
| DATI TECNICI PIANO COTTURA | |
|---|---|
| Bruciatori | N. 4 | 
| Potenza bruciatori | Kw 5.5 | 
| Alimentazione | GPL - Metano | 
| Potenza totale | kW 22 | 
| CARATTERISTICHE GENERALI | |
|---|---|
| Cucina nella versione da banco | |
| Bruciatore Flex Burner ad alta potenza | |
| Efficienza certificata al 60% | |
| Fiamma orizzontale: distribuzione uniforme del calore, ottimale anche per cotture delicate | |
| Piano inbutito a tenuta stagna, spigoli raggiati e invaso stampato per garantire la massima pulibilità | |
| Numero limitato di viti per avere superfici senza ostacoli | |
| Fondo amovibile per facilitare la pulizia dell'area sottostante le macchine | |
| Nuovo camino senza viti rapidamente amovibile | |
| Comparto tecnico posteriore per facilitare il collegamento alle utenze | |
| Rapida rimozione del pannello frontale per un accesso immediato alla componentistica | |
| Grado di protezione IPX5, per assicurare la protezione di tutti i componenti e la durata nel tempo delle macchine | 
- *ALIMENTAZIONE
- *Gas
- *TIPOLOGIA MOBILE
- *Da banco
- *FUOCHI
- *N.4
- *SERIE
- * Profondità cm 70
- *TIPOLOGIA FORNO
- *Senza forno
16 altri prodotti della stessa categoria:
Cucina elettrica - N° 4 piastre - Forno elettrico statico grill - cm 80 x 65 x 87 h
Piano cottura elettrico - N. 2 piastre quadrate - cm 40 x 90 x 27 h
Cucina a gas passante - Fiamma libera - N.6 fuochi - cm 130 x 100 x 90 h
Cucina elettrica - N. 6 piastre quadre - Forno elettrico statico - cm 120 x 70,5 x 90 h
Cucina a gas - N. 6 fuochi - Forno gas statico - cm 120 x 90 x 90 h
Cucina - N. 5 fuochi - Forno elettrico - cm 90 x 65.5 x 90 h
Piano cottura a gas - N.6 fuochi - cm 105 x 70 x 27 h
Cucina elettrica - N. 2 piastre quadre - cm 40 x 73 x 85 h
Cucina a gas - N.4 fuochi - Forno elettrico - cm 60 x 60 x 85
Cucina a gas - Fiamma libera - N.2 fuochi - cm 40 x 70 x 28h
Cuucina a gas - N. 6 fuochi - Forno a gas statico - cm 120 x 70 x 85 h
Cucina elettrica - N. 6 piastre tonde - cm 110 x 73 x 85 h
Cucina elettrica - Da banco - N.4 fuochi - cm 60 x 60 x 30 h
Cucina elettrica - N. 6 piastre tonde - Forno elettrico ventilato - cm 120 x 90 x 90 h
Home
- AFFETTATRICI PROFESSIONALI
- ARREDAMENTO BAR- Retrobanchi refrigerati
- Retrobanchi per Macchina Caffè
- Retrobanchi neutri
- Banchi milleusi
- Banchi cocktail
- Banchi bar
- Banchi birra
- Banchi tabacchi / totocalcio
- Celle da incasso
- Sportelli e cassetti inox
- Vetrine snack
- Vetrine pane
- Vetrine pizza
- Banchi bar pannellati Linea Start Up
- Banchi gelateria
- Lavelli da incasso
 
- ARREDAMENTO INOX 304
- ARREDAMENTO INOX 430
- BAR-
- ARREDAMENTO KIT COMPLETO
- ASPIRAZIONE
- ATTREZZATURE GELATERIA
- ATTREZZATURE BAR- Dosatori per salse
- Pacojet
- Macchine per pancake
- Tostiere
- Hot-dog
- Crepier
- Espositori | Vetrine snack
- Piastre panini elettriche
- Fry Top snack
- Frullatori
- Spezzaghiaccio/Tritaghiaccio
- Centrifuga
- Spremiagrumi
- Piani caldi/lampade riscaldanti/Scaldafritti
- Erogatore di bevande calde
- Macinadosatore
- Piastre panini gas
- Cuoci uova
- Cuocipasta Snack
- Estrattori di succhi
- Macchine caffè
- Macchine per cialde
- Distributori per succhi
- Congela bicchieri
- Erogatore di vino al calice
 
- ATTREZZATURE CUCINA- Lavatartufi
- Spillatore birra
- Passatrici
- Mixer
- Macinacaffè/Macinapepe
- Friggitrici snack
- Lavacozze
- Vasche e vetrine bagnomaria
- Pelacipolle
- Salamandra
- Scaldapiatti
- Cuociriso
- Postazione di lavoro completa
- Pacojet / Emulsionatori
- Lavaverdure
- Griglia pietra lavica
- Frullatori termici
- Essiccatore-Affumicatore
- Zuppiere
- Piani cottura snack
- Cutter sistema cottura
- Tigelliera
- Dosatori per salse
- Apriscatole
- Coltello elettrico
- Friggitrici ad aria professionale
- Pelapatate
- Cutter
- Grattugie
- Tagliaverdure / Tagliamozzarella
 
- ATTREZZATURE GELATERIA- Abbattitore di temperatura
- Banco gelateria
- Cuocicrema
- Mantecatori / Gelatiere
- Macchine Soft per Gelato
- Montapanna
- Pastorizzatori
- Pressagelato
- Vetrine pasticcerie e gelaterie
- Banchi Gelateria semilavorati
- Tini di maturazione
- Armadi frigoriferi per gelateria
- Contenitori - Accessori vari gelateria
- Piastre per panino gelato
- Pacojet / Emulsionatori
 
- ATTREZZATURE MACELLERIA- Sterilizzatori
- Vetrine Carne
- Tritacarne
- Segaossi
- Ceppi
- Inteneritrice
- Impastatrice carne
- Tritacarne-Grattugia
- Tritacarne refrigerato
- Armadio di stagionatura
- Banchi macelleria
- Affilacoltelli
- Hamburgatrici
- Taglieri macelleria
- Guanti inox
- Carrelli macelleria
- Piantana espositiva per salumi
- Gancere salumi
- Vetrine frollatura carne
- Insaccatrici
- Frigoriferi per carne
 
- ATTREZZATURE PANETTERIA- Vetrine pane
- Fermentatori per lievito madre
- Macinapane
- Armadi e tavoli fermalievitazione
- Formatrici per pane
- Grissinatrici
- Scaldataralli
- Setaccio per farina
- Banchi alimentare per pane
- Tagliafrese
- Porzionatrici - arrotondatrici pasta
- Forni pane
- Forni panetteria / pasticceria
- Impastatrici per pane
- Espositori e Retrobanchi panetteria
- Espositori self-service per panetteria
- Celle fermalievitazione
- Refrigeratori di acqua
- Taglierine per pane
 
- ATTREZZATURE PASTICCERIA- Vetrine Pasticcerie e Gelaterie
- Tavoli refrigerati pasticceria
- Macchine per cialde
- Lievitatori
- Abbattitori di temperatura
- Pralinatrici
- Sfogliatrici
- Friggitrici pasticceria
- Armadi Pasticceria
- Colatrici e Temperatrici di cioccolato
- Scioglitore di cioccolato
- Spruzza cioccolato
- Piastra refrigerata
- Macchina per tartelle
- Dosatrice riempitrice
- Fontane per cioccolato
- Kurtoskalacs
- Forni pasticceria
- Impastatrici planetarie
- Battiuova
- Macina zucchero
- Banchi Pasticceria
- Taglierine
- Fermentatori per lievito madre
- Macchine glassatrici
- Lampade per zucchero
- Macchine per biscotti
- Tavoli per cioccolato
 
- ATTREZZATURE PIZZERIA
- BANCHI ALIMENTARI E MURALI
- BANCHI CASSA
- BILANCE
- CARRELLI E ACCESSORI
- CASSETTIERE NEUTRE|CALDE|REFRIGERATE
- CONTENITORI ISOTERMICI
- CONTENITORI - TEGLIE - ACCESSORI VARI
- COTTURA BASSA TEMPERATURA
- COTTURA PROFESSIONALE
- CUCINE ETNICHE
- CUOCIPIADA
- DISPOSITIVI DI PROTEZIONE E IGIENE
- ELEMENTI DA INCASSO / DROP IN
- ESPOSITORI BUFFET
- ESPOSITORI FRUTTA
- ESPOSITORI VINO
- FABBRICATORI DI GHIACCIO- Fabbricatori di ghiaccio cubetto "Dado"
- Fabbricatore di ghiaccio "Domestico"
- Fabbricatore di ghiaccio cubetti cavi
- Fabbricatore di ghiaccio cubetti pieni
- Fabbricatore di ghiaccio cubetti piatti
- Fabbricatore di ghiaccio a scaglie granulare
- Fabbricatore ghiaccio a scaglie piatte
- Fabbricatore di ghiaccio cubetti Nugget
- Fabbricatore ghiaccio a granuli pressati
 
- FORNI E LIEVITATORI
- FRIGORIFERI FARMACIA
- GIRARROSTO - BARBEQUE - KEBAB
- GRANITORI E REFRIGERATORI
- IMPASTATRICI E PLANETARIE
- LAVANDERIA
- LAVAGGIO
- LAVORAZIONE PASTA FRESCA
- REFRIGERAZIONE PROFESSIONALE- Armadio frigo porta a vetro
- Congelatori e frigoriferi a pozzetto - isole refrigerate
- Tavoli refrigerati
- Vetrine refrigerate snack
- Minibar
- Armadio frigo porta cieca
- Frigoriferi combinati
- Pensili e Retrobanchi refrigerati/caldi
- Celle frigorifere
- Impianti Soprabanco/Sottobanco
- Box refrigerati birra
- Abbattitori di temperatura
- Refrigeratori bottiglie
- Armadi e tavoli fermalievitazione
- Retrobanchi
- Frigoriferi circolari
- Armadi refrigerati smontabili
 
- LINEA PESCE
- LINEA LUNA PARK
- MOBILI DI SERVIZIO
- INDUSTRIA 4.0
- RISTORANTE E BUFFET
- SMALTIMENTO RIFIUTI
- SERIE MANUALI E VARIE
- STERILIZZATORI
- SOTTOVUOTO E CONFEZIONATRICI
- Complementi di arredo "Outdoor"
- ATTREZZATURE FAST FOOD- Macchina cuoci Hot dog
- Bagnomaria per salse
- Bagnomaria per salsicce
- Vetrina per Hamburger
- Carrello multi snack
- Stazione di taglio riscaldata
- Scalda salse
- Imbuto riscaldante a stantuffo
- Frytop con tostapane
- Dosatore per salse
- Postazione di lavoro per crepes
- Banco caldo per patatine
- Raclette per formaggi
- Cassettiera calda
- Tostiere
- Spalmaburro
- Cuocipasta fast food
- Armadio di stoccaggio e mantenimento
- Supporto per contenitori
 
 
   Italiano
 Italiano  English
 English Español
 Español 
                 
                 
                 
                 
                
 
                         
                         
                         
                         
                         
                                            




 
                                                                                                                                                                             
                                                                                
         
                                                                                                                                                                             
                                                                                
         
                                                                                                                                                                
         
                                                                                                                                                                             
                                                                                
         
                                                                                                                                                                             
                                                                                
         
                                                                                                                                                                
         
                                                                                                                                                                             
                                                                                
         
                                                                                                                                                                
         
                                                                                                                                                                             
                                                                                
         
                                                                                                                                                                
         
                                                                                                                                                                             
                                                                                
         
                                                                                                                                                                
         
                                                                                                                                                                             
                                                                                
         
                                                                                                                                                                
         
                                                                                                                                                                             
                                                                                
        